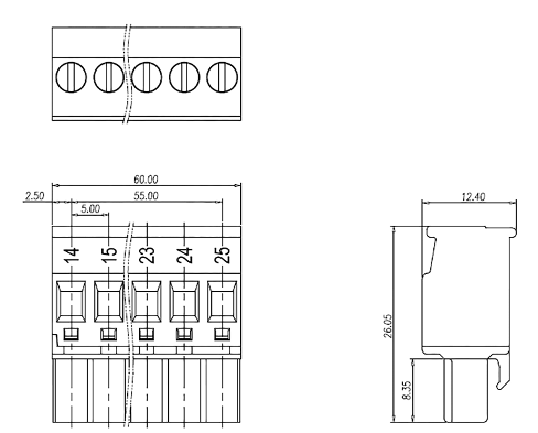
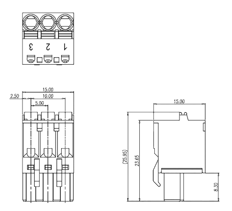
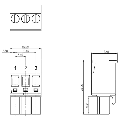
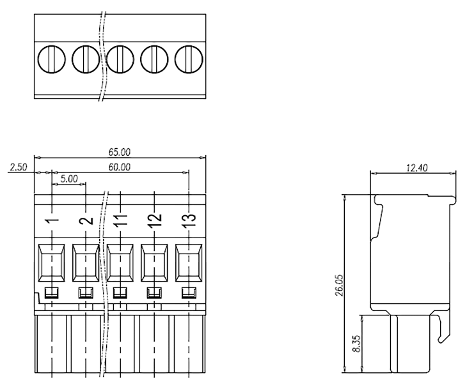
TA52xx(-x) - Terminal block setsdl-permalink__symbolPermalink